日期:
來源:互聯網收集編輯:admin
盡管乙級市政設計方案資質應用十分廣泛性,但許多公司或是本人壓根不清楚實際能夠承包什么建筑工程設計新項目,要想獲得精確的數值范圍,必須查看建筑工程設計資質規范中要求的信息,以便有利于大伙兒查看,西南地區協同我給大家梳理乙級市政設計方案資質承包范疇相關知識,并附以詳盡的表明,僅有充分了解乙級市政設計方案資質擔負的經營規模,才可以在招投標的過程中,不走彎路。
一、市政建筑工程設計乙級資質承包范疇
因為設計方案資質分成領域和技術專業2個方位,不一樣等級的乙級資質承攬范疇不一樣,詳細如下:
1、市政領域乙級:能夠承攬市政領域里的大中小型新項目的建筑設計業務流程。
2、市政技術專業乙級:能夠承攬市政技術專業里的大中小型新項目的建筑設計業務流程。
大伙兒看得出,領域與技術專業的差別非常大,只需要有著了領域乙級資質,能夠擔負經營規模限制范疇里的全部業務流程,而技術專業乙級資質,只有具有學什么專業,才可以擔負限制范疇里的設計業務。
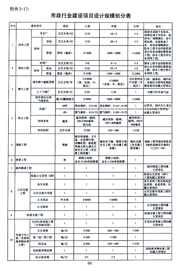
二、市政乙級設計方案資質可負責的項目建設設計方案經營規模區劃表

三、市政領域乙級和技術專業乙級承包范疇有什么不同
1、從資質證書本上區別,領域是沒有括弧的,而技術專業資質帶括弧,里邊標出了什么實際技術專業;
2、領域的承攬企業在小型新項目中,不受限制,而技術專業只有承攬本專業的;
3、領域承攬范疇更高,技術專業有限定。
總而言之,公司僅有清楚把握市政乙級設計方案資質承接項目范疇,才可以在使用時更為便捷,在招投標或是新辦申請辦理時,能夠第一時間作出分辨,企業是不是合乎,工作能力能不能做到。